説明
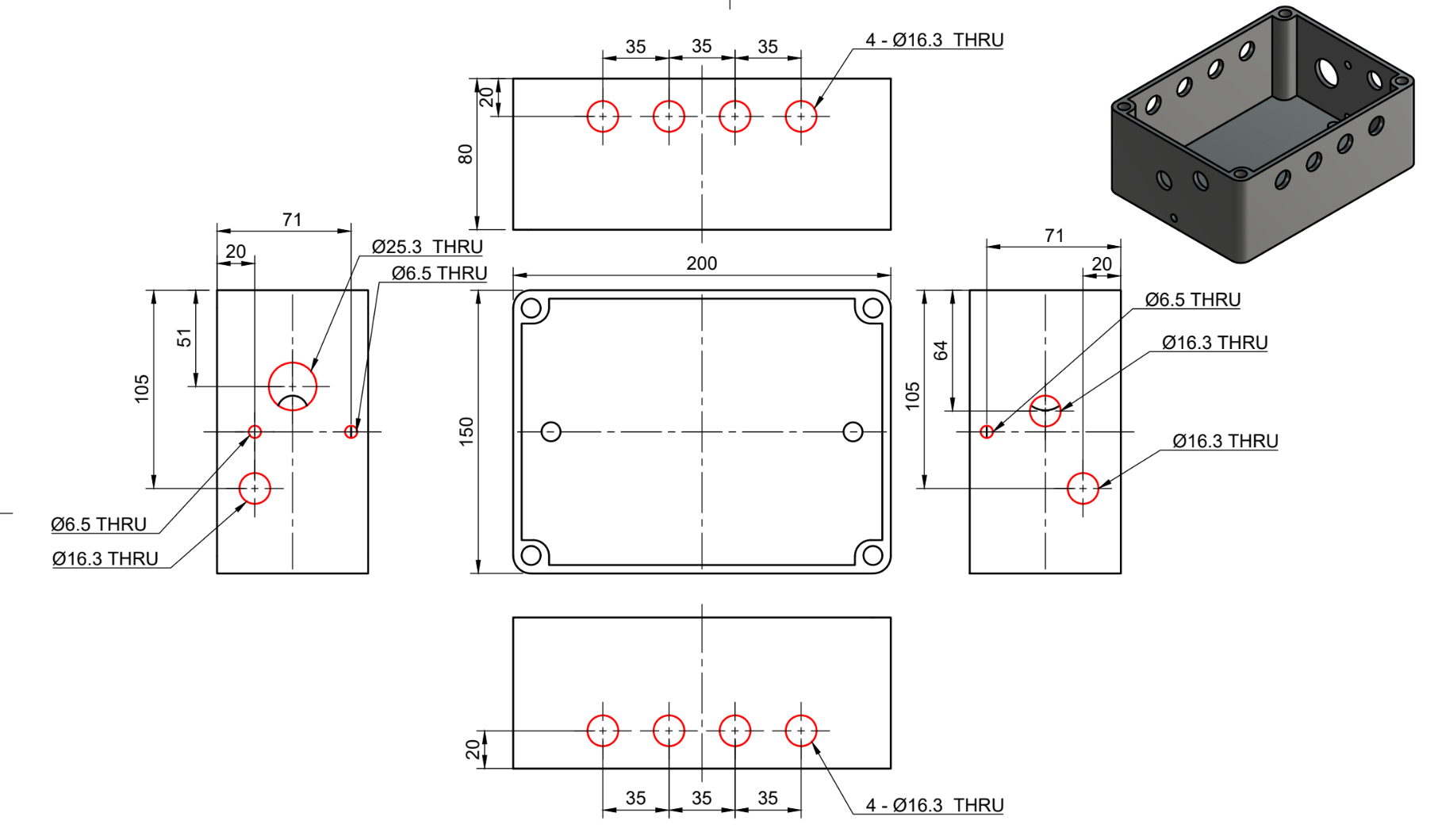
Duet3基板を保護することができる樹脂製のケースです。
外寸(W×H×D)150 x 200 x 100の本製品はDuet3 Mini 5+に適合します。
Duet3 Mainbord 6HCは収まりますがSDカードの取り出し、ケーブルの取り回しなどが難しいサイズとなります。
付属の取付基板(メッシュ板)にはDuet3基板固定用の穴を開けた状態での発送となります。
仕様
- 外寸 (WxHxD): 150 x 200 x 100
- 材質 :ABS
付属品
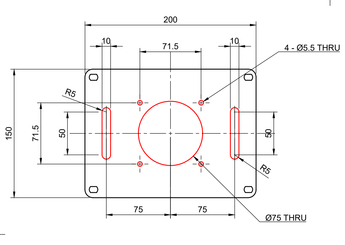
- 取付基板(メッシュ板)厚み約3mm:1枚
- 取り付け基板固定用M4ボルト:2個
- ケーブルグランドM25:1個
- ケーブルグランドM16:11個
- キャップM16:7個
- ナイロンスペーサー、ナイロン小ねじ、ナイロンナットM3:4組
- 冷却用ファン:1個
- ファン固定用低頭ボルトM5-10mm:4個
- ケース取り付け用
・シングルブラケット: 1個
・Tナット:1個
・低頭ボルトM5-8mm :2個
・差し込みTナット:1個
ドキュメント
詳細仕様などについては下記トピックを参照してください。




